menu mikrofony
Úvodní stránka inductory page
Kontakt contacts
hobby Historické mikrofony historic microphones Reportážní magnetofony report magnetophones Schémata, návody sheets

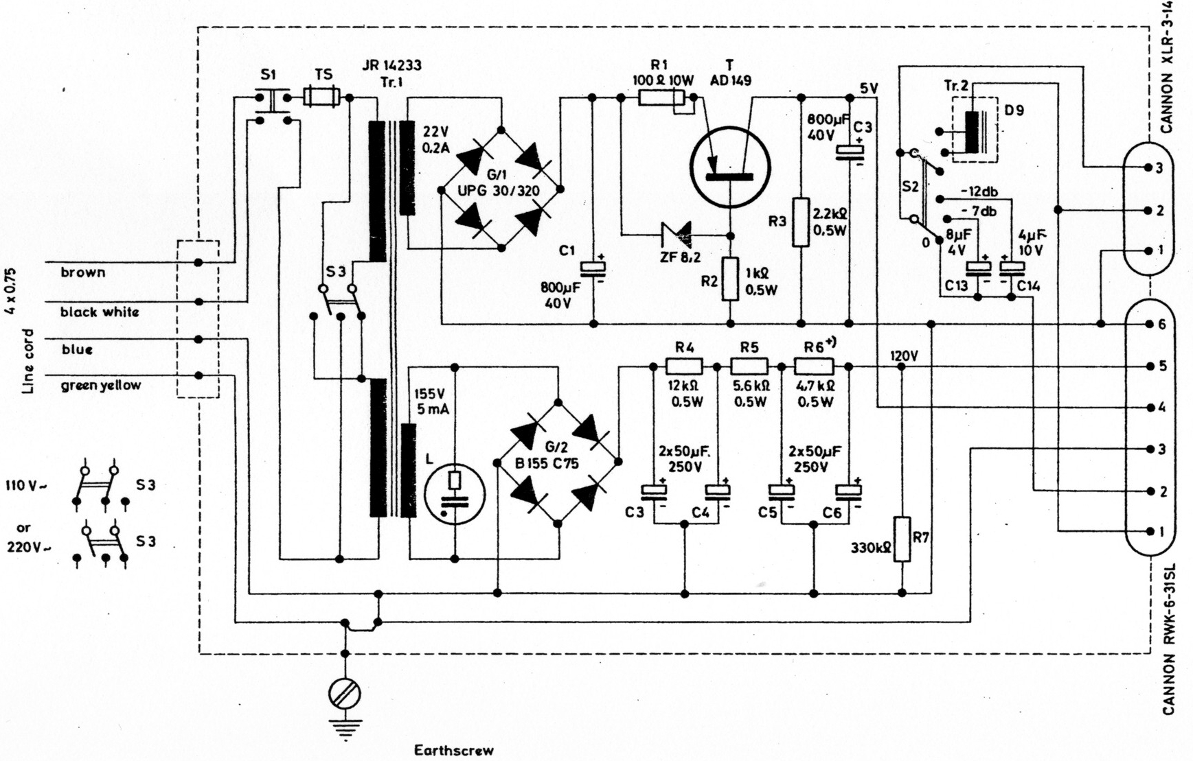
Napaječ AKG N 61 A


Napaječ AKG N61A slouží jako zdroj provozních napětí pro elektronkový miniaturní kondenzátorový mikrofon   AKG C61. Součástí zdroje je také výstupní přepínač útlumu nízkých kmitočtů.

VŠEOBECNÉ ÚDAJE:
Výrobce: Akustische u. Kino-Geräte, Wien, Rakousko
Tovární typ: N 61A
Použití: zdroj pro mikrofon C 61
Napětí: 5V/135 mA - žhavení
120 V/0,6 mA - anoda
Výstupní konektor: tov. typ Cannon XLR-3-IIC
Váha: 1790 g
Rozměry: 154 x 75 x 115 mm
Povrchová úprava: šedý a černý emailový lak

Napaječ AKG N61A Nr.2645 Napaječ AKG N61A Nr.2645 Napaječ AKG N61A Nr.2645 Napaječ AKG N61A Nr.2645 Napaječ AKG N61A Nr.2645 Napaječ AKG N61A Nr.2645 Napaječ AKG N61A Nr.2645

  Originální schéma zapojení

nahoru