menu mikrofony
Úvodní stránka inductory page
Kontakt contacts
hobby Historické mikrofony historic microphones Reportážní magnetofony report magnetophones   Nagra III   Uher 4000, 4200, 4400   VEB Werk KMG1 Schémata, návody sheets

Profesionální reportážní magnetofon NAGRA III

Páskový magnetofon NAGRA III byl pro reportážní účely používán mj. v tehdy Československém rozhlase a televizi v 70-tých a 80-tých letech. Jako záznamové medium byl požíván komerční magnetofonový 1/4' pásek. Rychlost posuvu pásku byla až 38 cm/s. Záznam je monofonní celostopý.

NAGRA III  Nr. 61 773

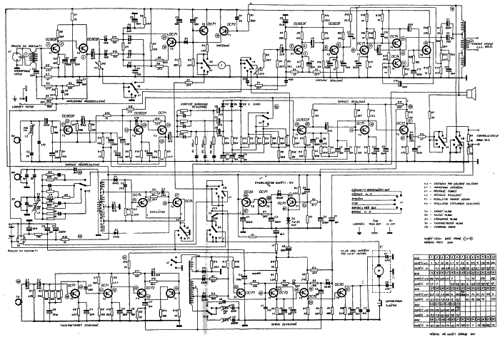
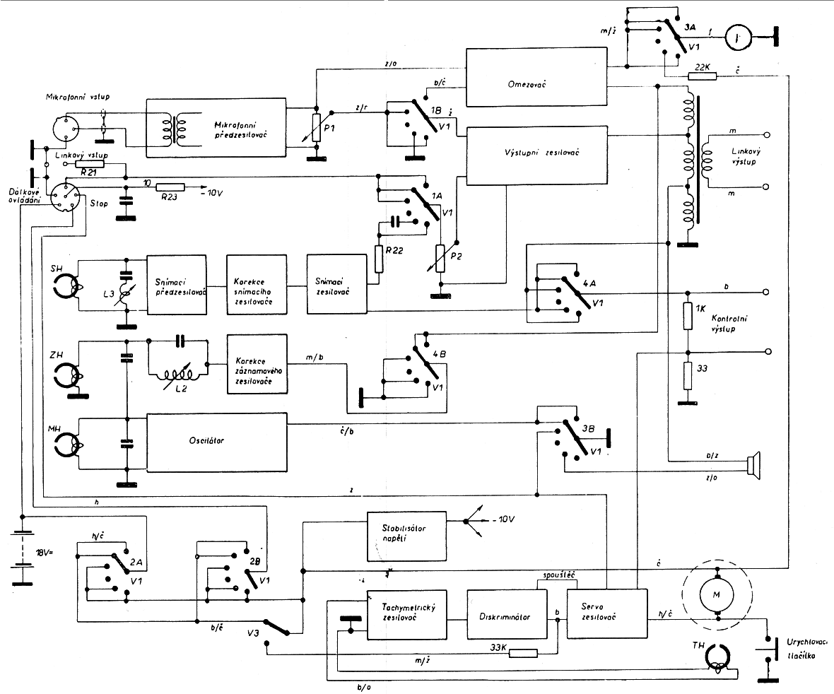
        Blokové schéma

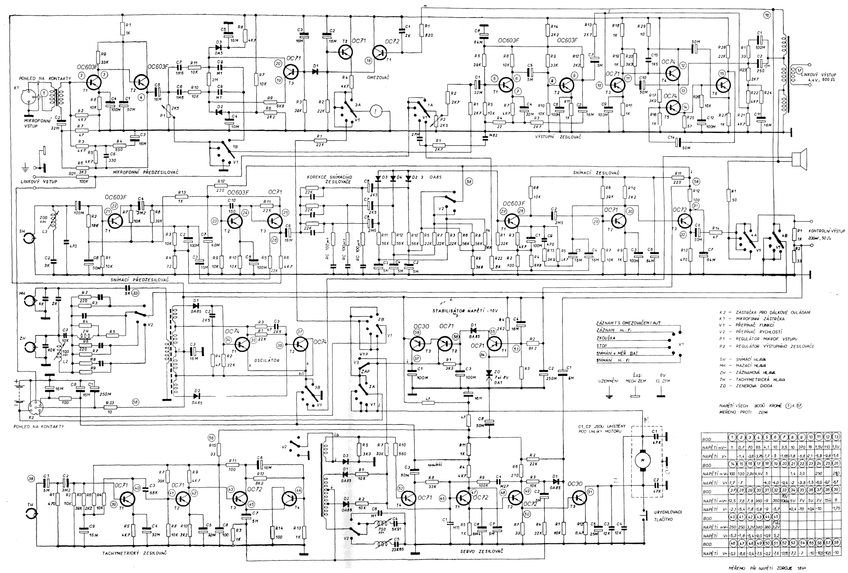
Schéma zapojení

  Originální firemní materiál

Otevřený přístroj

Unikátní servisní návod v češtině:

1   2   3   4

5   6   7   8

9   10   11   12

13   14   15   16

17   18


19   20   21   22

nahoru
   Navštivte obchod s MIKROFONY