|
Napaječ byl určený pro napájení předzesilovačů kondenzátorových mikrofonů Neumann s elektronkou EC 92: CMV653, M582.
VŠEOBECNÉ ÚDAJE:
| Výrobce: |
G. Neumann & Co., Gefell/Vogtl - NDR |
| Tovární typ: |
N 61 |
| Použití: |
napájení mikrofonu CMV 563 resp. M 582 |
| Váha: |
2,3 kg |
| Rozměry: |
220 x 118 x 125 mm |
| Povrchová úprava: |
kryt stříkán kladívkovým lakem |

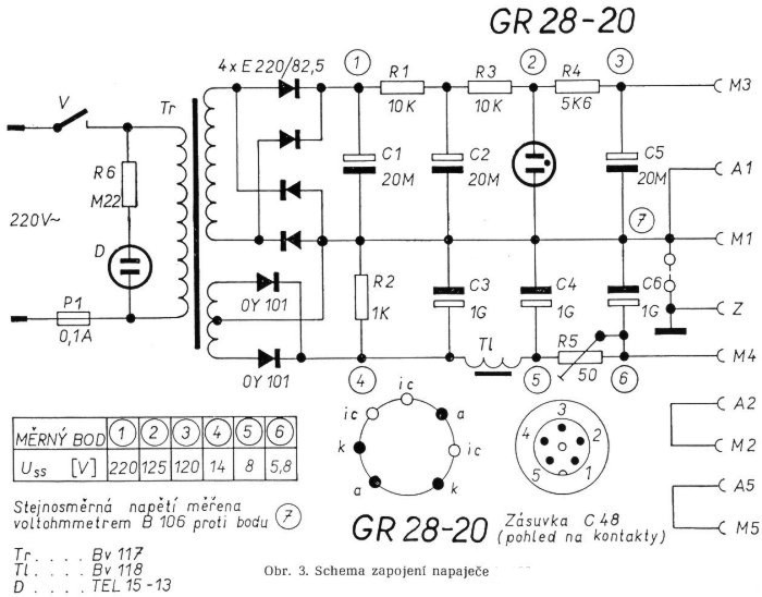
ELEKTRICKÉ HODNOTY:
| Anodový zdroj: |
120 Vss 0,9 mA (stabilisovaný) |
| Žhavící zdroj: |
5,8 Vss 142 mA |
| Rušivá napětí: |
15 mikroV (anodový zdroj) |
|
0,8 mV (žhavící zdroj) |
| Příkon: |
4 W |
| Síťové napětí: |
220 V +- 5% |
Upozornění: Připojí-li se napaječ k síti šňůrou s nulovým vodičem, je nutné zašroubovat šroub na liště 3 do spodního otvoru, při připojení šňůrou bez nulového vodiče - do horního otvoru. Sejmutí krytů napaječe se provádí (po odšroubování bočních krycích lišt a povolení šroubů obou krytů) jejich posunutím směrem vpřed a vzad při současném stahování nahoru.


Vyobrazený vzorek je kompletně funkční. |