Vynikající studiový malomembránový kondenzátorový elektronkový mikrofon C60. Má velmi malé rozměry, takže celokovové tělo je vyplněno elektronkou AC 701. Výstupní transformátor je umístěn v napaječi N 60 A.
VŠEOBECNÉ ÚDAJE:
| Výrobce: |
Akustische u. Kino-Geräte, Wien, Rakousko |
| Tovární typ: |
C 60 |
| Použití: |
studiový provoz |
| Váha: |
60 g |
| Rozměry: |
ø 18 x 100 mm |
| Povrchová úprava: |
stříbrošedý metalisovaný lak. nebo chromováno |
ELEKTRICKÉ HODNOTY:
| Citlivost: |
0,8 mV/mikrobar (měřeno při 1000 Hz) |
| Kmitočtová charakteristika: |
dle obr. 3, tolerance ± 2,5 dB (s mikrofonní vložkou CK 28) |
| Směrová charakteristika: |
kardioidní (s mikrofonní vložkou CK 28) kulová (s mikrofonní vložkou CK 26) |
| Nelineární zkreslení: |
< 1% (do 150 mikrobar) |
| Výstupní impedance: |
200 ohm |
| Výstup: |
symetrický |
Napájení (napáječ N 60 A): |
4V/105 mA - žhavení 80 V/0,6 mA - anoda |
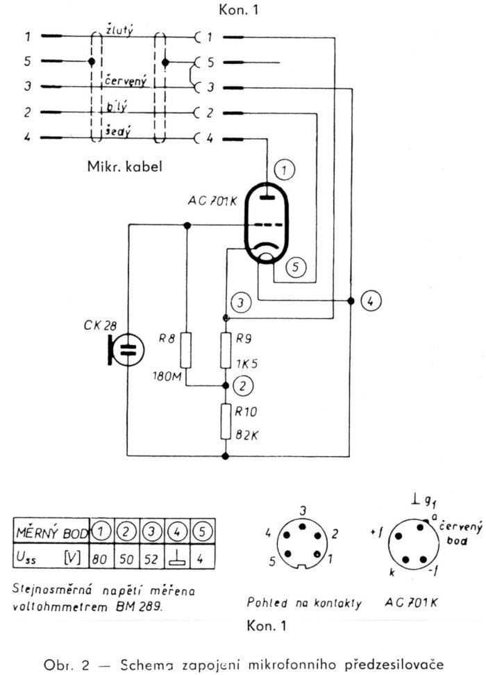
| Osazení: |
AC 701 K |

PŘÍSLUŠENSTVÍ:
- Mikrofonní vložka tov. typ CK 28 (s kardioidní směrovou charakteristikou) |
- Napáječ tov. typ N 60 A |
| - Mikrofonní kabel tov. typ MK 60. délka 5m |
| - Výstupní konektor tov. typ Cannon XLR-3-IIC |
Příslušenství na zvláštní objednávku:
- Mikrofonní vložka tov. typ CK 26 (s kulovou směrovou charakteristikou) |
TECHNICKÝ POPIS:
| - Kmitočtová charakteristika v oblasti nízkých knitočtů se ovládá přepínačem, umístěným v napáječi N 60 A. Jednotlivým polohám přepínače odpovídá pokles citlivosti o 0, -7 a -12 dB (na 50 Hz). |
| - Směrová charakteristika se mění výměnou mikrofonní vložky. |
| - Žhavicí proud elektronky AC 701K se nastavuje odporem R1 v napáječi N 60 A. |
| - Výstupní transformátor mikrofonního předzesilovače je umístěn v napáječi N 60 A. |


Originální schéma zapojení 1
Originální schéma zapojení s bateriovým napaječem
Elektronka AC701
Popis vložek CK26 a CK28
|